يعد التي شيرت المتساوي تركيبًا مهمًا في أنظمة الأنابيب، وهو مصمم لتقسيم أو دمج تدفق السوائل مع الحفاظ على أقطار الأنابيب المتسقة عبر الفتحات الثلاث. الدور الأساسي للوصلة المتساوية هو تسهيل تقسيم التدفق أو التقارب دون تغيير حجم الأنبوب، مما يجعلها لا غنى عنها في الأنظمة حيث يكون القطر الثابت والضغط المتوازن أمرًا بالغ الأهمية. يتم تصنيع الوصلات المتساوية من مواد تتوافق مع نظام الأنابيب لضمان التوافق ومقاومة التآكل وتحمل الضغط.
| مقاس | DN15(1/2")~DN3800(150"); |
| سمك الجدار | Sch 5~150 ملم؛ |
| نوع | سلس/ملحوم. |
| شهادة | PED، AD2000، EAC، ABS، BV، DNV، NORSOK M650، ISO9001، ISO14001، ISO45001، إلخ. |
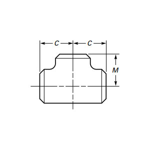
| مقدمة الوظيفة | الأنابيب الرئيسية والفرعية لها أقطار مختلفة، والتي تستخدم لتنظيم التدفق أو تغيير حجم الأنابيب الفرعية. |
| مجالات التطبيق | يستخدم على نطاق واسع في توصيلات أنظمة خطوط الأنابيب في مجالات البتروكيماويات ونقل الغاز الطبيعي والطاقة الكهربائية وبناء السفن والهندسة البلدية، وهو مناسب لبيئات الضغط العالي ودرجات الحرارة المرتفعة والوسائط المسببة للتآكل. |
| التعبئة | حزمة صالحة للإبحار أو صناديق من الخشب الرقائقي أو منصة نقالة أو حسب متطلبات العملاء |
| المنتجات المميزة | 1. الحد الأدنى للطلب هو دفعات صغيرة؛ |
إن نقطة الإنطلاق المتساوية عبارة عن تركيب متماثل متعدد الاستخدامات يتيح إدارة التدفق بكفاءة في أنظمة الأنابيب، مما يضمن الاتساق في القطر والضغط والتوافق عبر التطبيقات. هل تبحث عن تركيب موثوق وعالي الأداء لتبسيط توزيع التدفق أو التقارب؟ تم تصميم المحملات المتساوية ذات الدرجة الصناعية لدينا لتوفير جودة وتناسق ومتانة طويلة الأمد لا مثيل لها — مثالية للحفاظ على أنظمة الأنابيب الخاصة بك فعالة وخالية من التسرب ومنخفضة الصيانة.
بدءًا من المواد الخام وحتى التسليم النهائي،نحافظ على رقابة صارمة في كل مرحلة لضمان المتانة والأداء والاتساق.
01
02
03
04
05
06
07
08
09
10
11
12
13
14
15
شركتنا هي شركة مصنعة محترفة لمكونات أنابيب الضغط. تغطي مجموعة منتجاتنا اللحام الطرفي، واللحام بالمقبس، وتجهيزات الأنابيب الملولبة، بما في ذلك الحواف والأجزاء غير القياسية المخصصة. تُستخدم هذه المنتجات على نطاق واسع في الصناعات مثل النفط والغاز، والمعالجة الكيميائية، وتوليد الطاقة، وبناء السفن، وصناعة الورق، والمعادن، والأدوية، وتجهيز الأغذية. نحن نصنع وفقًا لمعايير مثل ASME وEN وJIS وDIN وANSI وGOST وMSS وGB/T وHG وDL وSH وSY،ولدينا مجموعة كاملة من معدات الفحص ونظام صارم لمراقبة الجودة وشهادات مختلفة (PED،AD2000،EAC،ABS،BV،DNV،NORSOK M650، ISO9001،ISO14001،ISO45001، وما إلى ذلك)، مما يجعلنا رائدين في الصناعة.
