تعمل الحافة الملولبة على إحداث ثورة في توصيل خطوط الأنابيب من خلال تقديم حل آمن وخالٍ من اللحام لربط الأنابيب الملولبة، مما يجعلها الخيار الأمثل للبيئات التي لا يمكن فيها التفاوض على السلامة والقدرة على التكيف. تم تصميم هذه الحافة بخيوط داخلية دقيقة، وتتكامل بسلاسة مع الأنابيب أو الأنظمة الفولاذية المجلفنة حيث يُحظر اللحام —مثل الإعدادات الصناعية القابلة للاشتعال أو الانفجار أو الحساسة للغاية. يعمل تصميمه المبتكر على التخلص من مخاطر الحرائق المرتبطة باللحام، مما يضمن الامتثال لبروتوكولات السلامة الصارمة مع توفير ختم قوي مانع للتسرب يتحمل متطلبات الضغط العالي. يتيح الاتصال الملولب التثبيت والتفكيك السريع، مما يمكّن فرق الصيانة من استكشاف الأخطاء وإصلاحها أو ترقية الأنظمة دون الحاجة إلى معدات متخصصة، مما يقلل من وقت التوقف عن العمل في العمليات الحرجة مثل المعالجة الكيميائية، أو توزيع النفط والغاز، أو إنتاج الأدوية.
| مقاس | DN15(1/2")-DN600(24") |
| تصنيف الضغط | 0.6- 4.0 ميجا باسكال |
| نطاق درجة الحرارة | -45℃ إلى 260℃ |
| شهادة | PED،AD2000،EAC،ABS،BV،DNV،NORSOK M650، ISO9001،ISO14001،ISO45001، إلخ. |
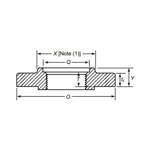
| مقدمة الوظيفة | تتصل الحافة الملولبة بالأنبوب الملولب عبر خيط الأنبوب الداخلي، مما يلغي اللحام. مثالي لأنابيب الفولاذ المجلفنة أو بيئات اللحام المقيدة (القابلة للاشتعال/الانفجار). يتميز بسهولة التركيب والصيانة المرنة، وهو مناسب بشكل خاص لسبائك الفولاذ والمواد الأخرى ذات قابلية اللحام الضعيفة. |
| مجالات التطبيق | ينطبق على توصيلات شفة الأنابيب في خطوط أنابيب النفط والغاز لمسافات طويلة، والمنصات البحرية، والمعدات الكيميائية، وأنظمة معالجة المياه، والصناعات الغذائية والصيدلانية، والتي تتكيف مع ظروف العمل المعقدة. |
| التعبئة | حزمة صالحة للإبحار أو صناديق من الخشب الرقائقي أو منصة نقالة أو حسب متطلبات العملاء |
| المنتجات المميزة | 1. الحد الأدنى للطلب هو دفعات صغيرة؛ |
مثالية للمواد المعرضة لتحديات اللحام - مثل سبائك الفولاذ - تحافظ شفة الخيط على سلامة المواد، وتتجنب الهشاشة أو التشوه الناجم عن الحرارة. ويضمن هيكلها المقاوم للتآكل، والمتوفر من الفولاذ الكربوني أو الفولاذ المقاوم للصدأ، طول العمر حتى في البيئات القاسية، بدءًا من منصات الحفر البحرية وحتى أنظمة الصرف الصحي المخصصة للأغذية. بفضل الامتثال الصارم للمعايير العالمية، تضمن هذه الحافة الموثوقية في التطبيقات عالية المخاطر، بما في ذلك الأنظمة الهيدروليكية، وخطوط الأنابيب المبردة، ونقل السوائل القابلة للاشتعال. بالنسبة للصناعات التي تعطي الأولوية للسلامة والكفاءة والصيانة الفعالة من حيث التكلفة، فإن الحافة الملولبة هي الحل التحويلي. قم بترقية البنية التحتية الخاصة بك اليوم باستخدام حواف الخيوط المتميزة لدينا - حيث يلتقي الابتكار بالسلامة التي لا هوادة فيها، مما يتيح لأنظمتك العمل بشكل لا تشوبه شائبة في أكثر الظروف صعوبة. اختر الثقة، واختر المتانة، وأعد تعريف إمكانات خط الأنابيب الخاص بك.
بدءًا من المواد الخام وحتى التسليم النهائي،نحافظ على رقابة صارمة في كل مرحلة لضمان المتانة والأداء والاتساق.
01
02
03
04
05
06
07
08
09
10
11
12
شركتنا هي شركة مصنعة محترفة لمكونات أنابيب الضغط. تغطي مجموعة منتجاتنا اللحام الطرفي، واللحام بالمقبس، وتجهيزات الأنابيب الملولبة، بما في ذلك الحواف والأجزاء غير القياسية المخصصة. تُستخدم هذه المنتجات على نطاق واسع في الصناعات مثل النفط والغاز، والمعالجة الكيميائية، وتوليد الطاقة، وبناء السفن، وصناعة الورق، والمعادن، والأدوية، وتجهيز الأغذية. نحن نصنع وفقًا لمعايير مثل ASME وEN وJIS وDIN وANSI وGOST وMSS وGB/T وHG وDL وSH وSY،ولدينا مجموعة كاملة من معدات الفحص ونظام صارم لمراقبة الجودة وشهادات مختلفة (PED،AD2000،EAC،ABS،BV،DNV،NORSOK M650، ISO9001،ISO14001،ISO45001، وما إلى ذلك)، مما يجعلنا رائدين في الصناعة.
