تعيد شفة مفصل اللفة تعريف المرونة في أنظمة الأنابيب، مما يوفر حلاً ديناميكيًا لإدارة ضغوط التمدد والانكماش الحراري مع تمكين التفكيك السلس في تطبيقات الضغط المنخفض. من خلال الجمع بين حلقة شفة قوية ومكون ذو شفة محورية، يسمح هذا التصميم المبتكر بالتحكم في الحركة المحورية لخطوط الأنابيب، وامتصاص التحولات الناجمة عن درجة الحرارة بشكل فعال دون المساس بالسلامة الهيكلية. متوفر في تكوينين —نوع حلقة اللحام التناكبي (PJ/SE) للوصلات الملحومة عالية الدقة ونوع حلقة اللحام المسطحة (PJ/RJ) للتركيب المبسط— فهو يلبي الاحتياجات التشغيلية المتنوعة مع الحفاظ على الأداء المقاوم للتسرب. تم تصميم الحافة من الفولاذ الكربوني الفاخر أو الفولاذ المقاوم للصدأ، وهي تقاوم التآكل والتآكل الميكانيكي، مما يضمن الموثوقية في صناعات مثل المعالجة الكيميائية ومعالجة المياه وإنتاج الغذاء، حيث تكون الصيانة المتكررة أو تحديث المعدات أمرًا روتينيًا.
|
قطر |
DN50(2")-DN2000(80") |
|
ضغط |
0.6-2.5 ميجا باسكال |
|
شهادة |
PED، AD2000، EAC، ABS، BV، DNV، NORSOK M650، ISO9001، ISO14001، ISO45001، إلخ. |
|
مقدمة الوظيفة |
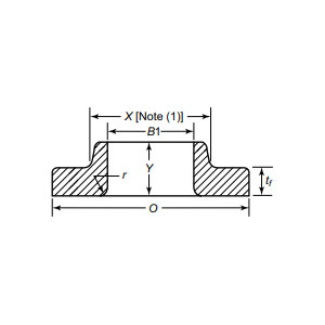
بالاشتراك مع حلقة الحافة والحواف، يسمح بالإزاحة المحورية لخط الأنابيب ويقلل من إجهاد التمدد الحراري. الأنواع: حلقة اللحام الطرفي (PJ/SE) وحلقة اللحام المسطحة (PJ/RJ). مناسبة لخطوط الأنابيب ذات الضغط المنخفض التي تتطلب تفكيكًا متكررًا. |
|
مجالات التطبيق |
ينطبق على توصيلات شفة الأنابيب في خطوط أنابيب النفط والغاز لمسافات طويلة، والمنصات البحرية، والمعدات الكيميائية، وأنظمة معالجة المياه، والصناعات الغذائية والصيدلانية، والتي تتكيف مع ظروف العمل المعقدة. |
|
التعبئة |
حزمة صالحة للإبحار أو صناديق من الخشب الرقائقي أو منصة نقالة أو حسب متطلبات العملاء |
|
المنتجات المميزة |
1. الحد الأدنى للطلب هو دفعات صغيرة؛ |
تُبسّط آلية الدوران عملية المحاذاة أثناء التجميع، مما يُقلّل تكاليف العمالة ووقت التعطل في أنظمة مثل الآلات الهيدروليكية، وشبكات التدفئة والتهوية وتكييف الهواء، أو المنشآت الصناعية المعيارية. ومن خلال عزل حركة الشفة عن إجهاد خطوط الأنابيب، تُطيل هذه الشفة عمر الحشيات والمسامير، مما يُخفّض تكاليف الاستبدال على المدى الطويل. من المنصات البحرية التي تتطلب تعويضًا حراريًا إلى مصانع الأدوية التي تحتاج إلى وصلات معقمة وسهلة التنظيف، تضمن شفة الوصلة المتداخلة التوافق مع معايير ASME وEN مع التكيف مع متطلبات التشغيل المتطورة. بفضل الاختبارات الدقيقة والتوافق متعدد الاستخدامات، تُمكّن هذه الشفة المهندسين من تصميم بنية تحتية مرنة وجاهزة للمستقبل. طوّر أنظمة الأنابيب لديك اليوم مع شفة الوصلة المتداخلة لدينا - حيث تلتقي الهندسة الدقيقة بالقوة التكيفية، مما يُمكّن عملياتك من النجاح في البيئات الديناميكية. اختر المرونة، اختر المتانة، وانطلق نحو عصر جديد من الكفاءة.
بدءًا من المواد الخام وحتى التسليم النهائي،نحافظ على رقابة صارمة في كل مرحلة لضمان المتانة والأداء والاتساق.
01
02
03
04
05
06
07
08
09
10
11
12
شركتنا هي شركة مصنعة محترفة لمكونات أنابيب الضغط. تغطي مجموعة منتجاتنا اللحام الطرفي، واللحام بالمقبس، وتجهيزات الأنابيب الملولبة، بما في ذلك الحواف والأجزاء غير القياسية المخصصة. تُستخدم هذه المنتجات على نطاق واسع في الصناعات مثل النفط والغاز، والمعالجة الكيميائية، وتوليد الطاقة، وبناء السفن، وصناعة الورق، والمعادن، والأدوية، وتجهيز الأغذية. نحن نصنع وفقًا لمعايير مثل ASME وEN وJIS وDIN وANSI وGOST وMSS وGB/T وHG وDL وSH وSY،ولدينا مجموعة كاملة من معدات الفحص ونظام صارم لمراقبة الجودة وشهادات مختلفة (PED،AD2000،EAC،ABS،BV،DNV،NORSOK M650، ISO9001،ISO14001،ISO45001، وما إلى ذلك)، مما يجعلنا رائدين في الصناعة.
