تعمل شفة لحام المقبس على إعادة تعريف توصيلات خطوط الأنابيب ذات الضغط العالي من خلال دمج القوة الفائقة مع ديناميكيات الموائع السلسة، المصممة لتقديم أداء لا مثيل له في التطبيقات المدمجة وعالية المخاطر. تم تصميم هذه الحافة للأنابيب ذات القطر الصغير، وتستخدم تكوين لحام المقبس الذي يغلف وصلة اللحام داخل الحافة نفسها، مما يزيل نتوءات اللحام الخارجية ويقلل من مقاومة التدفق —، وهي ميزة حاسمة في الأنظمة التي يكون فيها تقليل الاضطراب والنظافة أمرًا بالغ الأهمية. لا يعمل اللحام المخفي على تبسيط عملية التنظيف والتفتيش في البيئات المعقمة مثل مصانع الأدوية أو تجهيز الأغذية فحسب، بل يعزز أيضًا السلامة الهيكلية، ويقاوم الاهتزازات وارتفاع الضغط في مصافي النفط والغاز، أو المفاعلات الكيميائية، أو خطوط البخار عالية الضغط. يتم تصنيعه بدقة من الفولاذ الكربوني المطروق أو الفولاذ المقاوم للصدأ، ويجمع بين مقاومة التآكل وقوة الشد الاستثنائية، مما يضمن إغلاقًا مانعًا للتسرب حتى في ظل درجات الحرارة والضغوط الشديدة.
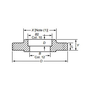
| نطاق القطر | DN15(1/2")-DN150(6") |
| تصنيف الضغط | 1.6-16 ميجا باسكال |
| شهادة | PED، AD2000، EAC، ABS، BV، DNV، NORSOK M650، ISO9001، ISO14001، ISO45001، إلخ. |
| مقدمة الوظيفة | وصلة لحام المقبس، تصميم اللحام المخفي يقلل من مقاومة التدفق، مُحسّن لتطبيقات الضغط العالي ذات القطر الصغير، أداء إغلاق فائق |
| مجالات التطبيق | ينطبق على توصيلات شفة الأنابيب في خطوط أنابيب النفط والغاز لمسافات طويلة، والمنصات البحرية، والمعدات الكيميائية، وأنظمة معالجة المياه، والصناعات الغذائية والصيدلانية، والتي تتكيف مع ظروف العمل المعقدة. |
| التعبئة | حزمة صالحة للإبحار أو صناديق من الخشب الرقائقي أو منصة نقالة أو حسب متطلبات العملاء |
| المنتجات المميزة | 1. الحد الأدنى للطلب هو دفعات صغيرة؛ |
يعمل تصميمه المدمج على تبسيط عملية التثبيت في المساحات الضيقة، بينما يتحمل الاتصال القوي التمدد الحراري الدوري، مما يجعله مثاليًا للمنصات البحرية وتوربينات توليد الطاقة والأنظمة الهيدروليكية. ومن خلال القضاء على نقاط الضعف المحتملة وتقليل دورات الصيانة، تعمل هذه الحافة على تمكين الصناعات من إعطاء الأولوية للسلامة دون المساس بالكفاءة. وبدعم من الامتثال لمعايير ASME B16.5 والاختبارات الصارمة غير المدمرة، فإنه يضمن الموثوقية في العمليات ذات المهام الحرجة. بالنسبة للمهندسين الذين يبحثون عن حل مدمج وعالي الضغط يجمع بين المتانة وتحسين السوائل، فإن شفة لحام المقبس هي الخيار الأمثل. قم بترقية البنية التحتية الخاصة بك اليوم باستخدام حوافنا المصممة بدقة—حيث يلتقي الابتكار بالمرونة، مما يتيح لأنظمتك العمل بدقة وأمان وثقة لا تتزعزع. اختر التميز، واختر القدرة على التحمل، وقم بتحويل إمكانات خط الأنابيب الخاص بك.
بدءًا من المواد الخام وحتى التسليم النهائي،نحافظ على رقابة صارمة في كل مرحلة لضمان المتانة والأداء والاتساق.
01
02
03
04
05
06
07
08
09
10
11
12
شركتنا هي شركة مصنعة محترفة لمكونات أنابيب الضغط. تغطي مجموعة منتجاتنا اللحام الطرفي، واللحام بالمقبس، وتجهيزات الأنابيب الملولبة، بما في ذلك الحواف والأجزاء غير القياسية المخصصة. تُستخدم هذه المنتجات على نطاق واسع في الصناعات مثل النفط والغاز، والمعالجة الكيميائية، وتوليد الطاقة، وبناء السفن، وصناعة الورق، والمعادن، والأدوية، وتجهيز الأغذية. نحن نصنع وفقًا لمعايير مثل ASME وEN وJIS وDIN وANSI وGOST وMSS وGB/T وHG وDL وSH وSY،ولدينا مجموعة كاملة من معدات الفحص ونظام صارم لمراقبة الجودة وشهادات مختلفة (PED،AD2000،EAC،ABS،BV،DNV،NORSOK M650، ISO9001،ISO14001،ISO45001، وما إلى ذلك)، مما يجعلنا رائدين في الصناعة.
