تُعدّ شفة عنق اللحام الحل الأمثل للبيئات عالية الضغط ودرجات الحرارة، وهي مصممة لتوفير موثوقية لا مثيل لها بفضل وصلاتها الملحومة تناكبيًا المتينة وسطحها العازل المصنوع بدقة. صُممت هذه الشفة للتطبيقات الحرجة، حيث تندمج بسلاسة مع خطوط الأنابيب عبر لحام تناكبي كامل الاختراق، مما يُنشئ هيكلًا متجانسًا يتحمل الضغوط الشديدة والتقلبات الحرارية والإجهاد الميكانيكي، مما يجعلها لا غنى عنها في مصافي النفط ومصانع البتروكيماويات وأنظمة الطاقة النووية. لا يعزز تصميم رقبتها المدبب سلامة الهيكل فحسب، بل يقلل أيضًا من تركيز الإجهاد، مما يضمن أداءً طويل الأمد في الظروف الصعبة. تضمن عملية الإنتاج - التي تشمل التشكيل المتقدم، والمعالجة الحرارية لتخفيف الإجهاد، والتشطيب الدقيق، والاختبارات غير الإتلافية الصارمة (NDT)، ومعالجات الأسطح المقاومة للتآكل - مكونًا يتجاوز معايير الصناعة من حيث السلامة والمتانة.
|
قطر |
DN15(1/2")-DN3500(138") |
|
ضغط |
0.25-25 ميجا باسكال |
|
شهادة |
PED، AD2000، EAC، ABS، BV، DNV، NORSOK M650، ISO9001، ISO14001، ISO45001، إلخ. |
|
مقدمة الوظيفة |
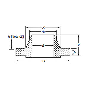
يوفر اتصال اللحام الطرفي إحكامًا عالي القوة للتطبيقات ذات الضغط العالي (HP) ودرجات الحرارة العالية (HT)، مما يضمن أداءً مقاومًا للتسرب في ظل الظروف القاسية |
|
مجالات التطبيق |
ينطبق على توصيلات شفة الأنابيب في خطوط أنابيب النفط والغاز لمسافات طويلة، والمنصات البحرية، والمعدات الكيميائية، وأنظمة معالجة المياه، والصناعات الغذائية والصيدلانية، والتي تتكيف مع ظروف العمل المعقدة. |
|
التعبئة |
حزمة صالحة للإبحار أو صناديق من الخشب الرقائقي أو منصة نقالة أو حسب متطلبات العملاء |
|
المنتجات المميزة |
1. الحد الأدنى للطلب هو دفعات صغيرة؛ |
بدءًا من خطوط الأنابيب تحت سطح البحر التي تتحمل مياه البحر المسببة للتآكل وحتى التوربينات البخارية التي تعمل في درجات حرارة حارقة، تضمن شفة عنق اللحام إغلاقًا مانعًا للتسرب واستمرارية التشغيل. تعتمد الصناعات التي تتطلب جودة لا هوادة فيها، مثل أنظمة السوائل الفضائية أو التخزين المبرد، على قدرتها على الحفاظ على سلامتها تحت التحميل الدوري والتعرض القاسي للوسائط. من خلال الجمع بين مرونة المواد الفائقة والهندسة الدقيقة، تعمل هذه الحافة على تقليل تكاليف دورة الحياة من خلال تقليل وقت التوقف عن العمل والصيانة. بالنسبة للمهندسين المكلفين بحماية البنية التحتية عالية المخاطر، فإن شفة عنق اللحام هي الخيار النهائي. ارفع أداء نظامك اليوم باستخدام حواف عنق اللحام المتميزة لدينا— حيث يلتقي التصنيع المتطور بالمرونة الصناعية، مما يمكّن عملياتك من التغلب على أقصى درجات الضغط ودرجة الحرارة والوقت. اختر التميز، واختر القدرة على التحمل، وقم ببناء أساس مقاوم للمستقبل لأنظمتك الحيوية.
بدءًا من المواد الخام وحتى التسليم النهائي،نحافظ على رقابة صارمة في كل مرحلة لضمان المتانة والأداء والاتساق.
01
02
03
04
05
06
07
08
09
10
11
12
شركتنا هي شركة مصنعة محترفة لمكونات أنابيب الضغط. تغطي مجموعة منتجاتنا اللحام الطرفي، واللحام بالمقبس، وتجهيزات الأنابيب الملولبة، بما في ذلك الحواف والأجزاء غير القياسية المخصصة. تُستخدم هذه المنتجات على نطاق واسع في الصناعات مثل النفط والغاز، والمعالجة الكيميائية، وتوليد الطاقة، وبناء السفن، وصناعة الورق، والمعادن، والأدوية، وتجهيز الأغذية. نحن نصنع وفقًا لمعايير مثل ASME وEN وJIS وDIN وANSI وGOST وMSS وGB/T وHG وDL وSH وSY،ولدينا مجموعة كاملة من معدات الفحص ونظام صارم لمراقبة الجودة وشهادات مختلفة (PED،AD2000،EAC،ABS،BV،DNV،NORSOK M650، ISO9001،ISO14001،ISO45001، وما إلى ذلك)، مما يجعلنا رائدين في الصناعة.
