تُعد الحافة المنزلقة حجر الزاوية في حلول الأنابيب الفعالة من حيث التكلفة، حيث تجمع بين البساطة والموثوقية لتلبية متطلبات أنظمة الضغط المنخفض. تم تصميم هذه الحافة للتكامل السهل، حيث تنزلق فوق الأنبوب ويتم تأمينها من خلال لحام شرائح، مما يبسط عملية التركيب مع تقليل تكاليف العمالة والمواد — مثالية للمشاريع التي تراعي الميزانية دون المساس بالأداء. يضمن سطح الختم الأملس (FF) التشغيل الخالي من التسرب في التطبيقات غير السامة ومنخفضة الضغط مثل شبكات المياه البلدية وأنظمة التدفئة والتهوية وتكييف الهواء وخطوط الأنابيب الصناعية العامة، بينما يعزز السطح المقعر المحدب المقوى (MF) سلامة الختم للبيئات الأكثر تطلبًا قليلاً.
| نطاق القطر | DN15(1/2")-DN3000(119") |
| تصنيف الضغط | PN6-PN16 |
| شهادة | PED، AD2000، EAC، ABS، BV، DNV، NORSOK M650، ISO9001 ISO14001، ISO45001، إلخ. |
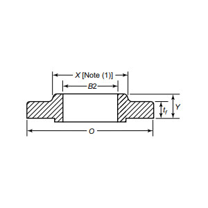
| مقدمة الوظيفة | هيكل ملحوم بسيط، حل فعال من حيث التكلفة، سهل التركيب، FF (وجه مسطح) للوسائط غير السامة منخفضة الضغط، MF (ذكر-أنثى) لتحسين الختم |
| مجالات التطبيق | ينطبق على توصيلات شفة الأنابيب في خطوط أنابيب النفط والغاز لمسافات طويلة، والمنصات البحرية، والمعدات الكيميائية، وأنظمة معالجة المياه، والصناعات الغذائية والصيدلانية، والتي تتكيف مع ظروف العمل المعقدة. |
| التعبئة | حزمة صالحة للإبحار أو صناديق من الخشب الرقائقي أو منصة نقالة أو حسب متطلبات العملاء |
| المنتجات المميزة | 1. الحد الأدنى للطلب هو دفعات صغيرة؛ 2. تسليم سريع؛ 3. إنتاج مخصص؛ |
مصنوع من الفولاذ الكربوني المتين أو الفولاذ المقاوم للصدأ، وهو مقاوم للتآكل والإجهاد الميكانيكي، مما يجعله خيارًا متعدد الاستخدامات للصناعات التي تتراوح من معالجة الأغذية إلى التصنيع الكيميائي، حيث تُعطى الأولوية للنظافة وسهولة الصيانة. تصميمه المدمج وخفيف الوزن يُبسط عمليات التحديث والمحاذاة، مما يقلل من وقت التوقف أثناء توسيع النظام أو إصلاحه. سواءً استُخدم في الري الزراعي، أو المنشآت الدوائية، أو الأنابيب البحرية، فإن شفة التثبيت سهلة التركيب تتكيف بسلاسة مع مختلف التصميمات، مما يضمن الامتثال لمعايير ASME وEN. من خلال الموازنة بين التكلفة المعقولة والهندسة المتينة، تُمكّن هذه الشفة المهندسين من تحسين تكاليف البنية التحتية دون المساس بالسلامة. حسّن أنظمة أنابيبك اليوم مع شفة التثبيت سهلة التركيب - حيث تلتقي البساطة بالقوة، مما يُمكّنك من البناء بذكاء، والصيانة بسهولة، والتشغيل بثقة. اختر الكفاءة، واختر الموثوقية، وطوّر البنية التحتية لأنابيبك اليوم.
بدءًا من المواد الخام وحتى التسليم النهائي،نحافظ على رقابة صارمة في كل مرحلة لضمان المتانة والأداء والاتساق.
01
02
03
04
05
06
07
08
09
10
11
12
شركتنا هي شركة مصنعة محترفة لمكونات أنابيب الضغط. تغطي مجموعة منتجاتنا اللحام الطرفي، واللحام بالمقبس، وتجهيزات الأنابيب الملولبة، بما في ذلك الحواف والأجزاء غير القياسية المخصصة. تُستخدم هذه المنتجات على نطاق واسع في الصناعات مثل النفط والغاز، والمعالجة الكيميائية، وتوليد الطاقة، وبناء السفن، وصناعة الورق، والمعادن، والأدوية، وتجهيز الأغذية. نحن نصنع وفقًا لمعايير مثل ASME وEN وJIS وDIN وANSI وGOST وMSS وGB/T وHG وDL وSH وSY،ولدينا مجموعة كاملة من معدات الفحص ونظام صارم لمراقبة الجودة وشهادات مختلفة (PED،AD2000،EAC،ABS،BV،DNV،NORSOK M650، ISO9001،ISO14001،ISO45001، وما إلى ذلك)، مما يجعلنا رائدين في الصناعة.
