يعيد الكوع الملولب بزاوية 90 درجة تعريف الكفاءة في أنظمة خطوط الأنابيب، مما يوفر حلاً قويًا لتغييرات اتجاهية دقيقة بمقدار 90° مع ضمان التثبيت والصيانة بسهولة من خلال تصميم التوصيل الملولب. مصنوع من الفولاذ الكربوني المطروق عالي الجودة أو الفولاذ المقاوم للصدأ، يجمع هذا الكوع بين القوة الاستثنائية ومقاومة التآكل، مما يجعله مثاليًا لأنظمة السوائل ذات الضغط المنخفض حيث تكون الموثوقية والقدرة على التكيف أمرًا بالغ الأهمية. تتيح الأطراف الملولبة التجميع والتفكيك السريع دون الحاجة إلى أدوات متخصصة، مما يبسط إجراءات الصيانة في التطبيقات مثل شبكات توزيع المياه وأنظمة التدفئة والتهوية وتكييف الهواء وإعدادات الري الصناعي. يتميز تصميمه المدمج بالقدرة على التنقل في المساحات الضيقة بسهولة، مما يعمل على تحسين كفاءة التدفق مع تقليل الاضطرابات وانخفاض الضغط—وهي ميزة بالغة الأهمية في البيئات الضيقة مثل الهندسة البحرية، وتجهيز الأغذية، والمرافق الصيدلانية.
| مقاس | DN15(1/2")~DN600(24") |
| مستوى الضغط | فئة 2000~6000 |
| نوع الخيط | معاهدة حظر الانتشار النووي، BSPP، BSPT |
| شهادة | PED، AD2000، EAC، ABS، BV، DNV، NORSOK M650، ISO9001، ISO14001، ISO45001، إلخ. |
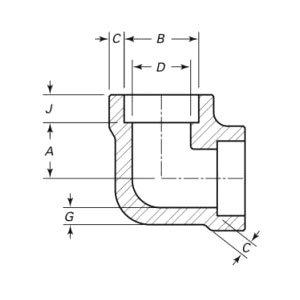
| مقدمة الوظيفة | يستخدم لتدوير اتجاه 90° لخطوط الأنابيب ذات التوصيل الملولب، وسهل التفكيك والصيانة، ومناسب لأنظمة السوائل ذات الضغط المنخفض. |
| مجالات التطبيق | مصممة لأنظمة خطوط الأنابيب ذات الضغط العالي، ومناسبة لتوصيل وتوجيه الأجزاء الرئيسية مثل تكرير البترول، ومعدات الطاقة النووية، والمعدات الكيميائية، وأوعية ضغط الغلايات، وما إلى ذلك. |
| التعبئة | حزمة صالحة للإبحار أو صناديق من الخشب الرقائقي أو منصة نقالة أو حسب متطلبات العملاء |
| المنتجات المميزة | 1. الحد الأدنى للطلب هو دفعات صغيرة؛ |
تم تصميم هذا الكوع لتحمل درجات الحرارة المتقلبة والضغط الميكانيكي، ويضمن أداءً مانعًا للتسرب في الأنظمة الهيدروليكية، وأدوات التحكم الهوائية، وخطوط البخار منخفضة الضغط، مما يقلل من وقت التوقف عن العمل وتكاليف التشغيل طويلة المدى. ومن خلال تبسيط التوجيه المعقد والقضاء على نقاط الفشل المحتملة، فإنه يمكّن الصناعات من الحفاظ على إدارة سلسة للسوائل حتى في التخطيطات ذات المساحة المحدودة. بالنسبة للمهندسين الذين يعطون الأولوية للمتانة والمرونة والفعالية من حيث التكلفة، فإن كوع خيط مطروق بزاوية 90 درجة يمثل حليفًا موثوقًا به. قم بترقية البنية التحتية الخاصة بك اليوم باستخدام أكواعنا المصنوعة بدقة —حيث يلتقي الأداء القوي بالتصميم الذكي، مما يضمن عمل أنظمتك بشكل لا تشوبه شائبة في ظل متطلبات الصناعة الحديثة. اختر الموثوقية، واختر الكفاءة، وقم بتحويل شبكات خطوط الأنابيب الخاصة بك باستخدام حل مصمم للاستمرار.
بدءًا من المواد الخام وحتى التسليم النهائي،نحافظ على رقابة صارمة في كل مرحلة لضمان المتانة والأداء والاتساق.
01
02
03
04
05
06
07
08
09
10
11
12
شركتنا هي شركة مصنعة محترفة لمكونات أنابيب الضغط. تغطي مجموعة منتجاتنا اللحام الطرفي، واللحام بالمقبس، وتجهيزات الأنابيب الملولبة، بما في ذلك الحواف والأجزاء غير القياسية المخصصة. تُستخدم هذه المنتجات على نطاق واسع في الصناعات مثل النفط والغاز، والمعالجة الكيميائية، وتوليد الطاقة، وبناء السفن، وصناعة الورق، والمعادن، والأدوية، وتجهيز الأغذية. نحن نصنع وفقًا لمعايير مثل ASME وEN وJIS وDIN وANSI وGOST وMSS وGB/T وHG وDL وSH وSY،ولدينا مجموعة كاملة من معدات الفحص ونظام صارم لمراقبة الجودة وشهادات مختلفة (PED،AD2000،EAC،ABS،BV،DNV،NORSOK M650، ISO9001،ISO14001،ISO45001، وما إلى ذلك)، مما يجعلنا رائدين في الصناعة.
