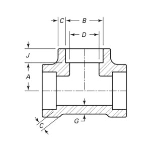
وصلة تي المتساوية المطروقة هي وصلة أنابيب مطروقة بالغة الأهمية بثلاث فتحات متطابقة القطر، مصممة لتقسيم أو دمج تدفق السوائل أو الغاز أو البخار بالتساوي في أنظمة الأنابيب. وعلى عكس وصلات تي غير المتساوية، يضمن هيكلها المتماثل توزيعًا متوازنًا للتدفق، مما يمنع اختلالات الضغط التي قد تؤثر على أداء النظام، مما يجعلها أساسية في التطبيقات الصناعية التي يكون فيها التدفق الثابت أمرًا بالغ الأهمية.
|
مقاس |
DN15(1/2")~DN600(24") |
|
مستوى الضغط |
فئة 2000~6000 |
|
نوع الخيط |
معاهدة حظر الانتشار النووي، BSPP، BSPT |
|
شهادة |
PED،AD2000،EAC،ABS،BV،DNV،NORSOK M650، ISO9001،ISO14001،ISO45001، إلخ. |
|
مقدمة الوظيفة |
تحقيق تحويل الأنابيب 45°، تصميم التوصيل الملولب يوفر مساحة التثبيت، ومناسب لتخطيط خطوط الأنابيب المدمجة. |
|
مجالات التطبيق |
مصممة لأنظمة خطوط الأنابيب ذات الضغط العالي، ومناسبة لتوصيل وتوجيه الأجزاء الرئيسية مثل تكرير البترول، ومعدات الطاقة النووية، والمعدات الكيميائية، وأوعية ضغط الغلايات، وما إلى ذلك. |
|
التعبئة |
حزمة صالحة للإبحار أو صناديق من الخشب الرقائقي أو منصة نقالة أو حسب متطلبات العملاء |
|
المنتجات المميزة |
1. الحد الأدنى للطلب هو دفعات صغيرة؛ |
وتشمل مزاياها السلامة الهيكلية القوية (التشكيل يقلل من مخاطر التشقق)، والتكامل السهل (الوصلات الملحومة/الملولبة تناسب الأنابيب القياسية)، وعمر الخدمة الطويل. ومن خلال تمكين التدفق الموحد، فإنه يقلل من تآكل المكونات النهائية، مما يجعله ضروريًا لعمليات خطوط الأنابيب الموثوقة والفعالة.
بدءًا من المواد الخام وحتى التسليم النهائي،نحافظ على رقابة صارمة في كل مرحلة لضمان المتانة والأداء والاتساق.
01
02
03
04
05
06
07
08
09
10
11
12
شركتنا هي شركة مصنعة محترفة لمكونات أنابيب الضغط. تغطي مجموعة منتجاتنا اللحام الطرفي، واللحام بالمقبس، وتجهيزات الأنابيب الملولبة، بما في ذلك الحواف والأجزاء غير القياسية المخصصة. تُستخدم هذه المنتجات على نطاق واسع في الصناعات مثل النفط والغاز، والمعالجة الكيميائية، وتوليد الطاقة، وبناء السفن، وصناعة الورق، والمعادن، والأدوية، وتجهيز الأغذية. نحن نصنع وفقًا لمعايير مثل ASME وEN وJIS وDIN وANSI وGOST وMSS وGB/T وHG وDL وSH وSY،ولدينا مجموعة كاملة من معدات الفحص ونظام صارم لمراقبة الجودة وشهادات مختلفة (PED،AD2000،EAC،ABS،BV،DNV،NORSOK M650، ISO9001،ISO14001،ISO45001، وما إلى ذلك)، مما يجعلنا رائدين في الصناعة.
